与传统汽车相比,新能源汽车上增加了动力电池、电机、控制器等其他功率器件。为了满足新能源整车可靠性,热管理性能要求更高。热管理能耗通常会增大,为了降低新能源汽车热管理系统能耗,基于整车能量管理的角度,余热回收技术渐渐应用于新能源汽车。高效的余热回收技术是改善新能源汽车热管理系统、提高续航里程的重要路径之一。

1 新能源汽车热管理系统简介
新能源汽车热管理系统相对于传统汽车,一般新增了动力电池、电机及电子部件等多部件冷却系统(包括四部分:电池热管理系统、汽车空调系统、电机电控冷却系统、减速器冷却系统),冷却系统/加热系统设计难度加大。过低或过高温度均会影响锂电池性能和使用寿命,锂电池对环境的适应性差。因此,电池热管理系统开发难度较大。以电池热管理为核心的热管理零部件明显增多,余热回收技术是解决新能源汽车电池加热需求的典型方案。

图1 新能源热管理系统功能
2 常用热管理系统物理架构
新能源汽车热管理系统是从传统燃油车热管理系统衍生过来的,一方面,电动压缩机替代普通压缩机、新增了电池冷却板、电池冷却器、PTC加热器等部件;另一方面,热管理系统从单纯的空调降温延伸到电池包冷却、空调采暖延伸到电池包加热。因此,新能源汽车热管理系统的常用物理架构包括电驱冷却回路、空调降温系统、电池冷却系统、乘员舱采暖等。图2为国内某款新能源车型的常用热管理架构。

图2 某新能源车型热管理物理架构
在该物理架构中,包含由电机、电机控制器、CDU等组成的高温回路,电池包冷却回路,电池包加热回路,空调系统降温回路,空调系统采暖回路。其中,乘员舱采暖采用了热泵空调技术。该车辆电池包冷却回路与乘员舱制冷回路通过Chiller进行热交换,电机冷却循环回路则通过散热器与环境进行热交换,乘员舱采暖是通过热泵空调技术与PTC协调进行加热。
3 新能源汽车余热回收技术应用
新能源汽车上的余热回收技术是通过将驱动电机和电力电子产生的余热用来给车辆电池包加热,该方式相比于现有的电池包加热方案,实现了余热的回收利用,在一定程度上增加了车辆的续驶里程,提高了新能源汽车上的能量利用效率。
目前新能源汽车上的余热回收技术方法主要有两种,一是高温回路与电池包低温回路通过Chiller进行热交换;二是利用多通道电磁阀控制技术实现高温回路与低温回路的实时连通与切断,通过高温回路余热直接加热电池包。
图3为国内某款新能源汽车的热管理架构。该物理架构中,包含高温回路、电池包加热回路、电池包冷却回路、空调系统降温回路、空调系统采暖回路。其中,乘员舱采用PTC进行加热;电机冷却循环回路通过散热器与环境进行热交换,或通过Chiller与电池包冷却回路进行热交换,因此,电池包可通过余热和PTC协调进行加热。

图3 某新能源汽车的热管理架构(chiller方式)
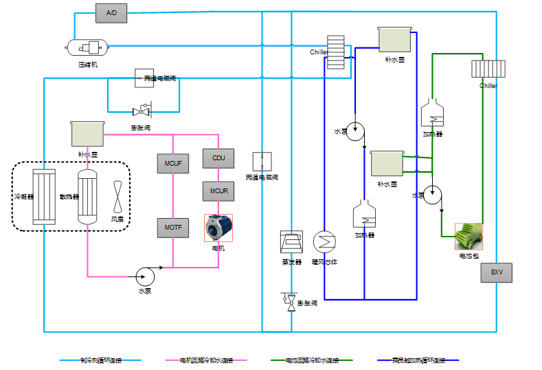
图4为国外某款新能源车的热管理架构。该物理架构中,包含由电机、MCU、充电机等组成的高温回路、电池包加热回路、电池包冷却回路、空调系统降温回路、空调系统采暖回路。其中,电机冷却循环回路通过散热器与环境进行热交换,或通过三通电磁阀与四通道电磁阀进行回路切换,电机高温回路与电池包低温回路相连通,因此电池包可通过高温回路余热和PTC协调进行加热。

图4某新能源汽车的热管理架构(直接加热方式)
4 总结
余热回收技术是改善新能源汽车热管理系统性能的重要技术之一,它合理利用了新能源汽车上的高温热源的热量,为车辆电池包加热提供了热源,改善了新能源汽车的续驶里程,提高了能量利用率。
来源:第一电动网
作者:中国新能源汽车评价规程
本文地址:https://www.d1ev.com/kol/115798
文中图片源自互联网,如有侵权请联系admin#d1ev.com(#替换成@)删除。